Over 300 000 kunder - vi takker dere!

40 000+ produkter for jakt og skytesport

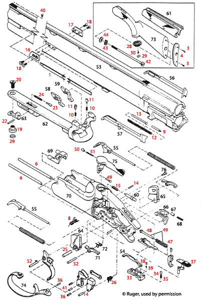
Detaljerte tegninger av Ruger® Red Label O/U med S/N-prefiks 401/411/420 gir omfattende innsikt i komponentene og deres funksjoner for effektiv vedlikehold og reparasjon.

Ruger® Red Label O/U S/N Prefix 401/411/420 Deltegning - Detaljerte tegninger for presisjonsvåpen

Velkommen til vår side dedikert til Ruger® Red Label O/U med serienummerprefiks 401, 411 og 420. Her finner du detaljerte deltegninger som gir en grundig oversikt over de ulike komponentene i denne spesifikke haglen. Enten du er en våpenentusiast, en samler, eller en tekniker som jobber med reparasjon og vedlikehold, vil disse deltegningene være et uvurderlig verktøy. Vi tilbyr omfattende informasjon om hver del, inkludert spesifikasjoner og illustrasjoner, som gjør det enklere å forstå og håndtere ditt våpen. Utforsk og få tilgang til kunnskapen du trenger for å ta vare på din Ruger® Red Label.

Ruger® Red Label O/U S/N Prefix 401/411/420



Ruger® Red Label O/U S/N Prefix 401/411/420 Deltegning


Ruger® Red Label O/U S/N Prefix 401/411/420
Klikk på et rødt delnummer for å se tilgjengelige produkter. Velg "Deler" for å se en oversikt.

Ruger® Red Label O/U S/N Prefix 401/411/420 Deler


Tilbake til toppen