Over 300 000 kunder - vi takker dere!

40 000+ produkter for jakt og skytesport

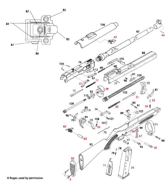
Detaljtegningene gir en grundig oversikt over Ruger® PC 9/40 Carbine, inkludert alle nødvendige spesifikasjoner og komponentdetaljer for effektiv montering og vedlikehold.

Ruger® PC 9/40 Carbine Deltegning - Detaljerte tegninger for presisjonsvåpen

Velkommen til vår side dedikert til Ruger® PC 9/40 Carbine Deltegning. Her finner du omfattende og detaljerte deltegninger for Ruger® PC 9 og 40 karabinene, som er designet for å hjelpe både entusiaster og fagfolk med vedlikehold og reparasjon. Våre deltegninger gir en klar oversikt over alle komponentene i våpenet, slik at du enkelt kan identifisere, bestille eller bytte ut deler. Enten du er en erfaren skyteentusiast eller nybegynner, vil denne ressursen være uvurderlig for å sikre at din Ruger® PC 9/40 fungerer optimalt. Utforsk vår samling og oppdag hvordan detaljert informasjon kan forbedre din opplevelse med dette fantastiske våpenet.

Ruger® PC 9/40 Carbine



Ruger® PC 9/40 Carbine Deltegning


Ruger® PC 9/40 Carbine
Klikk på et rødt delnummer for å se tilgjengelige produkter. Velg "Deler" for å se en oversikt.

Ruger® PC 9/40 Carbine Deler


Tilbake til toppen