Over 300 000 kunder - vi takker dere!

40 000+ produkter for jakt og skytesport

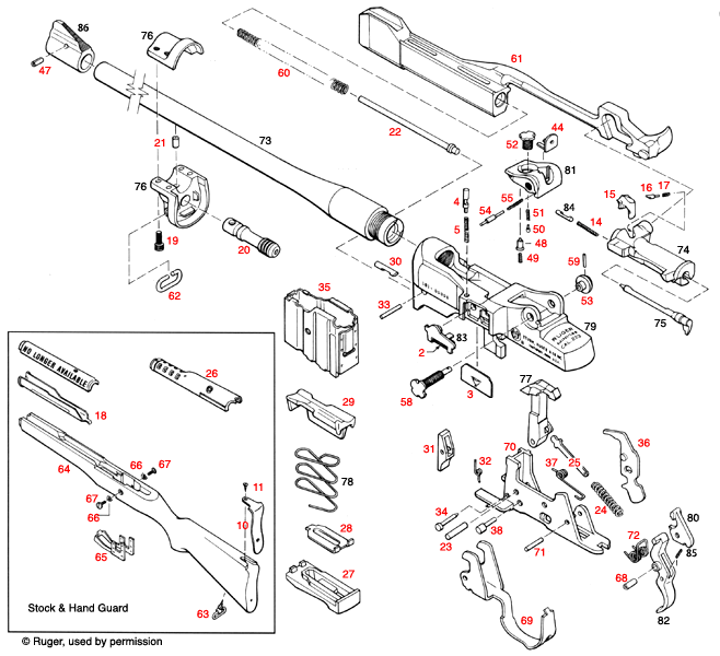
Denne deltegning viser detaljerte komponenter og spesifikasjoner for Ruger® Mini-14 rifler med serienummerprefiks 181-186, nyttig for vedlikehold og reparasjon.

Ruger® Mini-14 Serial Prefix 181-186 Deltegning - Detaljerte Tegninger for Din Rifle

Velkommen til vår side dedikert til Ruger® Mini-14 med serienummerprefikser 181-186. Her finner du omfattende deltegninger som gir deg en grundig oversikt over de ulike komponentene i denne populære riflen. Enten du er en ivrig samler, en hobbyist, eller en profesjonell gunsmith, vil disse tegningene være et uvurderlig verktøy for vedlikehold, reparasjon og tilpasning. Vårt mål er å tilby deg de mest nøyaktige og detaljerte illustrasjonene som er tilgjengelige, slik at du kan ta vare på din Ruger® Mini-14 med trygghet og presisjon. Utforsk nå for å finne den informasjonen du trenger!

Ruger® Mini-14 Serial Prefix 181-186



Ruger® Mini-14 Serial Prefix 181-186 Deltegning


Ruger® Mini-14 Serial Prefix 181-186
Klikk på et rødt delnummer for å se tilgjengelige produkter. Velg "Deler" for å se en oversikt.

Ruger® Mini-14 Serial Prefix 181-186 Deler


Tilbake til toppen