Over 300 000 kunder - vi takker dere!

40 000+ produkter for jakt og skytesport

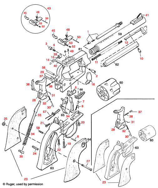
Detaljerte tegninger og spesifikasjoner for Ruger® Super Blackhawk Hunter revolver, ideelt for både entusiaster og fagfolk som ønsker nøyaktig informasjon.

Ruger® Super Blackhawk Hunter Deltegning - Detaljert oversikt over revolverkomponenter

Velkommen til siden for Ruger® Super Blackhawk Hunter Deltegning, hvor du finner en omfattende samling av tekniske tegninger og diagrammer for denne ikoniske revolveren. Her kan du utforske detaljerte komponentbeskrivelser og illustrasjoner som gir en dypere forståelse av våpenets funksjonalitet og design. Enten du er en entusiast, samler eller fagperson, vil denne siden gi deg verdifull informasjon om hver del av Super Blackhawk Hunter. Oppdag hvordan disse delene samhandler for å skape en pålitelig og kraftig revolver, og dykk inn i den tekniske verden av Ruger® produkter.

Ruger® Super Blackhawk Hunter



Ruger® Super Blackhawk Hunter Deltegning


Ruger® Super Blackhawk Hunter
Klikk på et rødt delnummer for å se tilgjengelige produkter. Velg "Deler" for å se en oversikt.

Ruger® Super Blackhawk Hunter Deler


Tilbake til toppen