Over 300 000 kunder - vi takker dere!

40 000+ produkter for jakt og skytesport

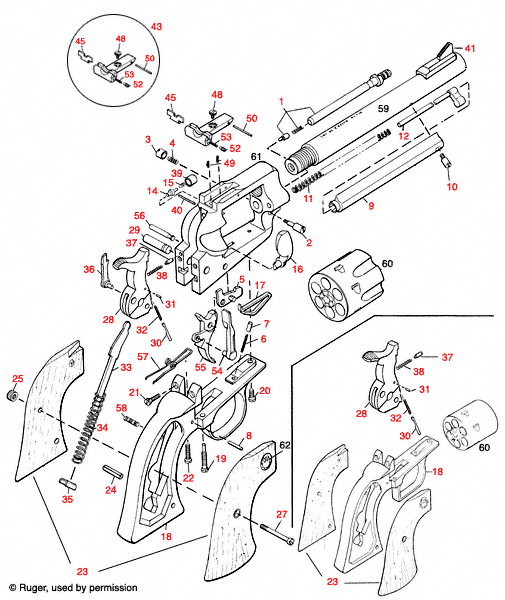
Detaljerte tegninger og spesifikasjoner for Ruger® Super Blackhawk revolver, ideelt for både entusiaster og fagfolk som ønsker å forstå design og funksjonalitet.

Ruger® Super Blackhawk Deltegning - Detaljerte tegninger for revolver entusiaster

Ruger® Super Blackhawk Deltegning gir deg tilgang til omfattende og detaljerte deltegninger av en av de mest ikoniske revolverne på markedet. Denne siden er en uvurderlig ressurs for både samlere og skyteentusiaster som ønsker å forstå de komplekse komponentene og mekanismene som gjør Super Blackhawk unik. Her finner du nøyaktige illustrasjoner som viser hver del av revolveren, noe som gjør det enklere å utføre vedlikehold, reparasjoner eller tilpasninger. Enten du er en erfaren gunsmith eller en nybegynner, vil disse deltegningene hjelpe deg med å få en dypere forståelse av Ruger® Super Blackhawk.

Ruger® Super Blackhawk



Ruger® Super Blackhawk Deltegning


Ruger® Super Blackhawk
Klikk på et rødt delnummer for å se tilgjengelige produkter. Velg "Deler" for å se en oversikt.

Ruger® Super Blackhawk Deler


Tilbake til toppen