Over 300 000 kunder - vi takker dere!

40 000+ produkter for jakt og skytesport

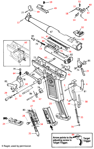
Detaljerte tegninger for Ruger® Mark II 22/45 gir omfattende illustrasjoner og spesifikasjoner for vedlikehold og reparasjon av dette populære selvladende pistolen.

Ruger® Mark II 22/45 Deltegning - Detaljerte tegninger for entusiasten

Ruger® Mark II 22/45 Deltegning gir deg tilgang til detaljerte og nøyaktige tegninger av en av de mest populære selvladende pistolene. Denne siden er spesialdesignet for både samlere og skyteentusiaster som ønsker å forstå og vedlikeholde sitt våpen bedre. Her finner du illustrasjoner av viktige komponenter, samt spesifikasjoner og tekniske detaljer som er avgjørende for reparasjon og modifikasjon. Enten du er en erfaren gunsmith eller nybegynner, vil du sette pris på den grundige dokumentasjonen som er tilgjengelig. Utforsk og lær hvordan du kan ta vare på din Ruger® Mark II 22/45 med presisjon.

Ruger® Mark II 22/45



Ruger® Mark II 22/45 Deltegning


Ruger® Mark II 22/45
Klikk på et rødt delnummer for å se tilgjengelige produkter. Velg "Deler" for å se en oversikt.

Ruger® Mark II 22/45 Deler


Tilbake til toppen