Over 300 000 kunder - vi takker dere!

40 000+ produkter for jakt og skytesport

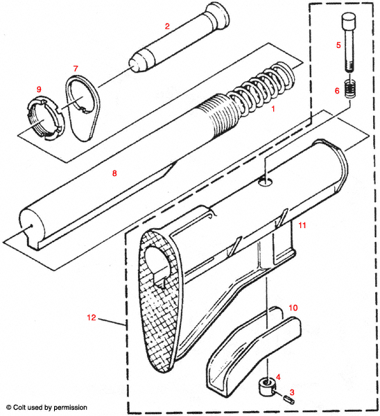
Denne delen viser detaljerte tegninger av Colt® AR-15 glidende kolbeanordning, inkludert komponenter og monteringsinstruksjoner for effektiv vedlikehold og reparasjon.

Colt® AR-15 Sliding Buttstock Assembly Deltegning - Detaljerte tegninger for presisjonsmontering

Colt® AR-15 Sliding Buttstock Assembly Deltegning gir en omfattende oversikt over de tekniske spesifikasjonene og monteringsdetaljene for dette essensielle riflekomponenten. Her finner du nøye utformede tegninger som viser alle nødvendige mål og sammensetninger, noe som gjør det enklere å forstå hvordan du skal installere eller erstatte buttstock assemblyen. Denne siden er en verdifull ressurs for både entusiaster og profesjonelle som ønsker å sikre nøyaktighet og kvalitet i arbeidet med Colt® AR-15-modeller. Utforsk våre detaljerte deltegninger for å forbedre din forståelse av produktet.

Colt® AR-15 Sliding Buttstock Assembly



Colt® AR-15 Sliding Buttstock Assembly Deltegning


Colt® AR-15 Sliding Buttstock Assembly
Klikk på et rødt delnummer for å se tilgjengelige produkter. Velg "Deler" for å se en oversikt.

Colt® AR-15 Sliding Buttstock Assembly Deler


Tilbake til toppen