Over 300 000 kunder - vi takker dere!

40 000+ produkter for jakt og skytesport

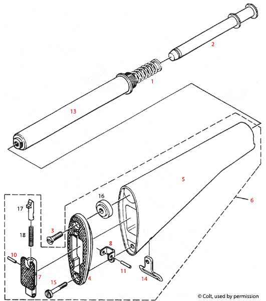
Denne detaljtegningen viser komponentene og monteringsanvisningene for Colt® AR-15 kolbe, som er essensiell for rifleens funksjonalitet og ergonomi.

Colt® AR-15 Buttstock Assembly Deltegning - Detaljerte tegninger for presis montering

Velkommen til vår side for Colt® AR-15 Buttstock Assembly Deltegning. Her finner du omfattende og detaljerte tegninger som gir deg all nødvendig informasjon for å montere og vedlikeholde buttstock-assemblien på din Colt® AR-15. Disse deltegningene er spesielt designet for både entusiaster og profesjonelle, og de inkluderer spesifikasjoner, mål og viktige monteringsinstruksjoner. Enten du er en erfaren våpenmekaniker eller en nybegynner, vil disse ressursene hjelpe deg å forstå komponentene bedre og sikre at alt fungerer optimalt. Utforsk våre tegninger for å få en dypere forståelse av Colt® AR-15s design og funksjonalitet.

Colt® AR-15 Buttstock Assembly



Colt® AR-15 Buttstock Assembly Deltegning


Colt® AR-15 Buttstock Assembly
Klikk på et rødt delnummer for å se tilgjengelige produkter. Velg "Deler" for å se en oversikt.

Colt® AR-15 Buttstock Assembly Deler


Del #2
-9 %
-9 %
AR15A4 BUFFER ASSEMBLY fra COLT gir overlegen ytelse og pålitelighet, perfekt for AR-15 Accurized HBAR og Match Target-serien.
COLT
AR15A4 BUFFER ASSEMBLY AR15A4 BUFFER ASSEMBLY
 
På lager 9 stk. på lageret i USA
kr 1 149
kr 1 049
Del #2
-10 %
-10 %
AR6721 BUFFER ASSEMBLY fra COLT gir optimal ytelse og pålitelighet for AR-15 Government Carbine, .223, og sikrer jevn drift og presisjon.
COLT
AR6721 "H" BUFFER ASSEMBLY 4 OZ AR6721 "H" BUFFER ASSEMBLY 4 OZ
 
På lager 5 stk. på lageret i USA
kr 999
kr 899
Tilbake til toppen