Over 300 000 kunder - vi takker dere!

40 000+ produkter for jakt og skytesport

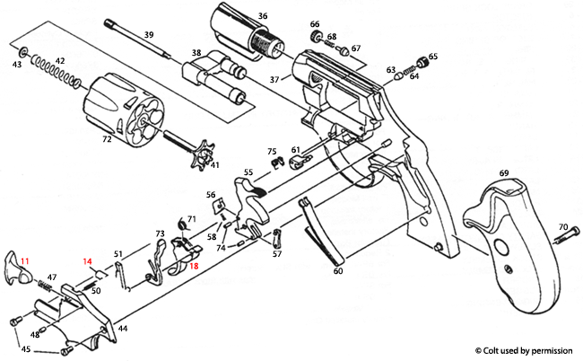
Denne siden tilbyr detaljerte tekniske tegninger av Colt® SF-VI revolvermodellen, inkludert spesifikasjoner og komponentoversikter for reparasjon og vedlikehold.

Colt® SF-VI Deltegning - Utforsk detaljene i Colt® revolverens design

Colt® SF-VI Deltegning tilbyr en omfattende samling av tekniske tegninger og spesifikasjoner for Colt® SF-VI revolveren. Denne siden er en uvurderlig ressurs for både samlere og entusiaster som ønsker å forstå de intrikate detaljene i denne ikoniske revolverens konstruksjon. Her finner du nøyaktige illustrasjoner og informasjon om komponentene, som gir deg innsikt i både design og funksjonalitet. Enten du er på jakt etter reservedeler eller bare ønsker å lære mer om Colt® SF-VI, er denne siden et must for alle som setter pris på kvalitet og håndverk i våpenhistorien.

Colt® SF-VI



Colt® SF-VI Deltegning


Colt® SF-VI
Klikk på et rødt delnummer for å se tilgjengelige produkter. Velg "Deler" for å se en oversikt.

Colt® SF-VI Deler


Tilbake til toppen