Over 300 000 kunder - vi takker dere!

40 000+ produkter for jakt og skytesport

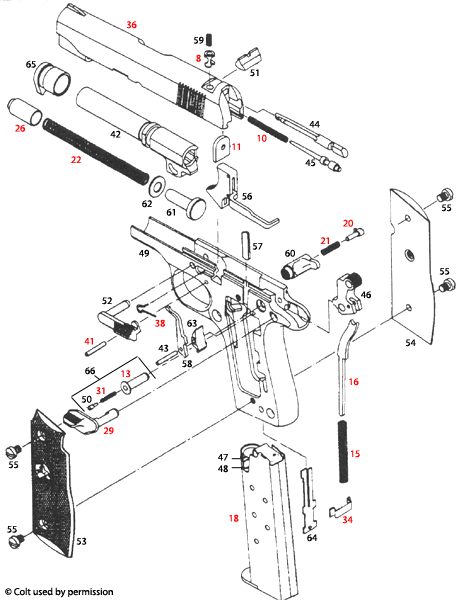
Detaljerte tekniske tegninger for Colt® 380-modeller, designet for autoloading pistoler, gir omfattende innsikt i komponentenes oppbygning og funksjon.

Colt® 380 Models Deltegning - Utforsk detaljerte tegninger for Colt® 380-modeller

Velkommen til vår side dedikert til Colt® 380-modeller. Her finner du omfattende deltegninger som gir deg en grundig oversikt over alle komponenter og mekanismer i disse ikoniske autolading pistoler. Enten du er en entusiast, samler eller fagperson, vil disse tegningene være et uvurderlig verktøy for forståelse og vedlikehold av Colt® 380. Vi tilbyr detaljerte illustrasjoner som viser alt fra rammer til mekaniske deler, og sikrer at du får den informasjonen du trenger for å jobbe med disse våpnene. Utforsk vårt utvalg og oppdag den rike historien bak Colt® 380-modellene.

Colt® 380 Models



Colt® 380 Models Deltegning


Colt® 380 Models
Klikk på et rødt delnummer for å se tilgjengelige produkter. Velg "Deler" for å se en oversikt.

Colt® 380 Models Deler


Tilbake til toppen